Menu
Trang chủ
Giới thiệu
Sản phẩm
Tin tức
Liên hệ
Bản đồ
Trang chủ
Giới thiệu
Sản phẩm
Tin tức
Liên hệ
Bản đồ
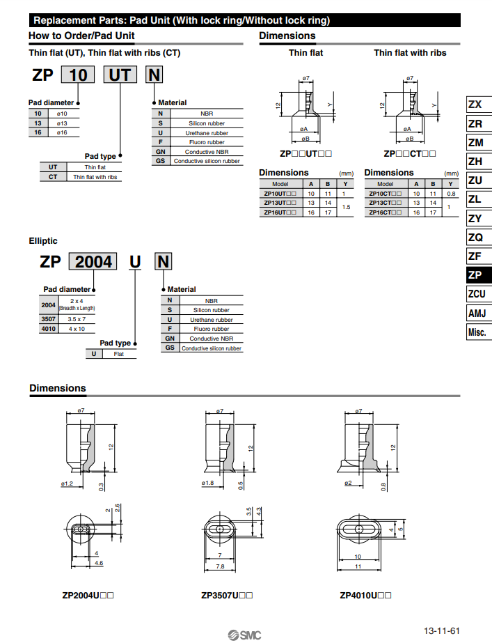
Vacuum Pad SMC : ZP10UT...ZP16UT
Thiết bị khí nén
>
SMC VACUUM SYSTEM
Vacuum Pad SMC : ZP10UT...ZP16UT
SMC VACUUM SYSTEM
Contact Us
SPECIFICATION
Sản phẩm liên quan
Quick View
Vacuum pad SMC: ZP3B-T1K3-B3, ZP3B-T1K6-B3
Quick View
Vacuum pad SMC : ZP3P-20PTSF ... ZP3P-50PTSF
Quick View
Vacuum pad SMC : ZP3P-T20PTSF-A5 ... ZP3P-T50PTSF-B8
Quick View
Vacuum pad SMC : ZP3P-T20PTSFJ10- ... ZP3P-T50PTSFJ20-...
Quick View
Vacuum pad SMC : ZP2-TB10MTN-...ZP2-TB30MTN-...
Quick View
Vacuum pad SMC : ZP2-06JN- ... ZP2-B30JN-...
Quick View
Vacuum pad SMC : ZP2-TB04MBN- .... ZP2-TB20MBN-...
Quick View
Vacuum pad SMC : ZP2-T3507WN- ... ZP2-T5020WN-...
Quick View
Vacuum pad SMC : ZP2-R3507WN - ... ZP2-R8030WN-...
1
2
3
4
5
6
7
8
9
10
11
12
13
14
15
16
17
18
19
Sản phẩm
Van Gas
Van gas - DUNGS
Van Gas SANHUA
Van gas Pietro Fiorentini
Xi lanh thủy lực giá rẻ
Xi lanh thủy lực
Xi lanh khí nén giá rẻ
Xi lanh khí nén JEPLC
Xi lanh khí nén Airtac
Van điện từ
Van điện từ DW-DWS TPC
Van điện từ Parker
Van ODE
Van Round-Star
Van ASCO
Van công nghiệp
Van bi tay gạt
Van bi điều khiển điện
Van bi điều khiển khí
Van Piston - Valas
Van công nghiệp tầu thủy
Van bướm tay gạt
Van bướm điều khiển khí nén
Van bướm điều khiển điện
Van bướm Silo
Van bướm tín hiệu điện
Van Phòng Cháy Chữa Cháy
Bộ điện điều khiển van
i- Tork Controls
Promation Engineering
AOX - China
FRY Electric actuator
Bộ khí điều khiển van
Alohan Corporation
Bộ khí Wuxi - China
DongjooAP - Korea
Bộ điều khiển tuyến tính
YTC - Youngtech
Power Genex
Thiết bị hơi- nhiệt
Van hơi nhiệt YNV - Korea
Can Nhiệt hiệu STYB
Khớp nối xoay KJC
Thiết bị khí nén
Pisco- Japan
Khí nén TPC - Korea
Khí nén SKP - Korea
Khí nén - Parker Kuroda
Van MAC - USA
Khí nén Tai-Huei
Phanh khí nén Niika - Taiwan
Ross- USA
ATC Pneumatics
SMC VACUUM SYSTEM
Thiết Bị Thủy Lực
Thủy lực Yuken
Thủy lực Wandfluh
Kẹp ống thủy lực LMC
Motor thủy lực Danfoss
Khớp nối thủy lực
Bosch Rexroth
Bơm Piston
Thiết Bị Đo Lường
Báo mức- Parker
Báo mức -Hanyoung
Công tắc dòng -Autosigma
Đồng hồ áp lực Wise
Đo lưu lượng Autrol
Thiết bị thực phẩm & hóa chất
Thiết bị Hikelok
Thiết bị Yean Hern
Van Nhựa - China
Chính sách & quy định chung
Chính sách và quy định chung
Quy định và hình thức thanh toán
Chính sách vận chuyển/giao nhận
Chính sách bảo hành/bảo trì (nhóm hàng hóa/dịch vụ có bảo hành)
Chính sách đổi/trả hàng và hoàn tiền
Chính sách bảo mật thông tin
Mục đích và phạm vi thu thập thông tin
Phạm vi sử dụng thông tin
Cam kết bảo mật thông tin cá nhân khách hàng