Công tắc áp suất khí LGW...A2 , LGW...A2P , LGW...A2-7- DUNGS
SPECIFICATION
CÔNG TẮC ÁP SUẤT LGW…A2, LGW… A2P, LGW …A2 - 7 DUNGS
Công ty thiết bị Tự Động Hóa Cao Đạt xin giới thiệu tới quý khách hàng sản phẩm công tắc đặt áp suất cho khí LGW …A2 hiệu Dungs Germany.
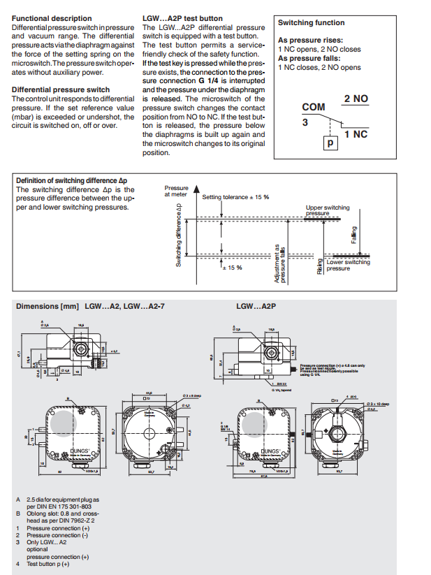
- Công tắc áp suất LGW ….A2 là dòng công tắc đặt áp cho khí và xả gas áp lực Pmax 500m bar ( 50 Kpa) nhiệt độ - 300C đến + 850C, thân và vỏ vật liệu Polycarbonate, màng NBR, tiếp điểm Ag, Ag Gold plate, sản phẩm dễ dàng lắp đặt, làm việc chính xác, hiệu quả cao.
- Công tắc áp suất LGW ….A2 có các model:
Version: AG - M - V9
Type Order NO Order NO
1 Piece 80 Pieces
LGW 3A2 272 337 107 409
LGW 10A2 272 336 107 417
LGW 50A2 272 341 107 425
LGW 150 A2 272 356 107 433
LGW 3A2P 272 352 120 204
LGW 10A2P 272 345 120212
LGW 50A2P 272 346 221 207
LGW 150A2P 272 354 120 238
Version: AU - M - V9
LGW 1,5 A2 - 7 257 434 257 434
LGW 3 A2 - 7 257 435 257 435
LGW 6 A2 - 7 257 436 257 436
LGW 10 A2 - 7 257 437 257 437
LGW 30 A2 - 7 257 438 257 438
- Công tắc áp suất LGW ….A2 - Thông số kỹ thuật:
























