Báo mức JC7-SH- Parker
SPECIFICATION
BÁO MỨC JC7 - SH PARKER
Công ty Thiết Bị Tự Động Hóa Cao Đạt xin gửi tới quý khách hàng sản phẩm Báo mức JC7 - SH thương hiệu Parker.
- Báo mức JC7 - SH là dòng báo mức thể rắn, kích thước nhỏ gọn, dễ dàng lắp đặt, tiết kiệm diện tích, làm việc chính xác, hiệu quả cao.
- Báo mức JC7 - SH thường sử dụng báo mức cho vật liệu dưới dạng bột, hạt, tấm, cám, thức ăn gia súc, cát, sỏi, đá….. cho các bình chứa, bể chứa, tank và silo.
- Báo mức JC7 - SH có các dòng model sau:
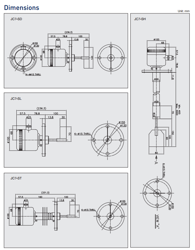
JB -SD
JC7 - SD
JC7 - SL
JC7 - ST
JC7 - SH
JD - 100
- Báo mức JC7 - SH - Thông số kỹ thuật:























